shipwreck
Petty Officer 1st Class
- Joined
- Nov 23, 2006
- Messages
- 263
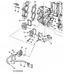
1956 Evinrude ,15 hp model 15016 tiller handle
Just bought it, it has two lines from tank to engine. One line goes to carb ( fuel line) and the other to block ... i believe it air line. the tank is bad condition.
I have manual on order .. but i don't think i find this answer there, i want to to know if this can be convert to single line, a more modern tank... Now i guess that a fuel pump needs to be added, but i am not sure. In case a fuel pump needs to be added, how would i pick one out of more out there?
Any ideas, photos or step by step welcome
Just bought it, it has two lines from tank to engine. One line goes to carb ( fuel line) and the other to block ... i believe it air line. the tank is bad condition.
I have manual on order .. but i don't think i find this answer there, i want to to know if this can be convert to single line, a more modern tank... Now i guess that a fuel pump needs to be added, but i am not sure. In case a fuel pump needs to be added, how would i pick one out of more out there?
Any ideas, photos or step by step welcome