Overheating...or not

mstng

Petty Officer 3rd Class
Joined
Oct 11, 2008
Messages
83
Some of you know my plight regarding this 2003 volvo 3.0 and overheating.

Decided to flush and play around with the impeller again and then run one more time before seeking further assistance.

I remember reading somewhere that with a temp reading of 210-220 one should expect a hot riser. Is this so?

I again ran it for 10 minutes or so and the temp rose to 180 for about 10 seconds and then rose to 210 and jumped around every few seconds between 190-220. I felt the riser and it felt just barely warm and the manifold felt a bit hotter but not so hot where I couldn't place my hand on it for several seconds. Could I have a bad sender? Any other options?

BTW, my RPM's are responding as they should now that I switched the setting on the back of the tach...Shame on chaparral..
 

chiefalen

Captain
Joined
May 18, 2008
Messages
3,598
Re: Overheating...or not

Maybe the temp gauge is messed up also.

Can you beg, borrow, steal another one.

If you were in nj i have three extra ones in my basement.

The connections good?
 

mstng

Petty Officer 3rd Class
Joined
Oct 11, 2008
Messages
83
Re: Overheating...or not

Decided to play around with the connections a bit. The temp now seems steady instead of jumping around. The connections were probably a little loose.

Problem is that it's steady to 210. The thermostat housing and large hose from the water pump to the thermostat housing was hot hot. The smaller top hose to and from the thermostat housing from the water pump is cold. The riser remained only warm. I assume that by the touch of the thermostat housing I am truly feeling above 200. (could be wrong). Time to let a professional figure it out.

Thanks for the response chiefalen..
 

chiefalen

Captain
Joined
May 18, 2008
Messages
3,598
Re: Overheating...or not

Have yo u checked the thermostat?

Easy to do.

Might not be opening.

Change it and than try running it.
 

mstng

Petty Officer 3rd Class
Joined
Oct 11, 2008
Messages
83
Re: Overheating...or not

Have yo u checked the thermostat?

Easy to do.

Might not be opening.

Change it and than try running it.

Yeah, I changed it. The one I had in I tested on the stove just for kicks and it opened and closed appropriately. Can I assume the problem is somewhere before the riser. Would seeing how it runs without a thermostat tell me anything?
 

mstng

Petty Officer 3rd Class
Joined
Oct 11, 2008
Messages
83
Re: Overheating...or not

Have yo u checked the thermostat?

Easy to do.

Might not be opening.

Change it and than try running it.

Yeah, I changed it. The one I had in I tested on the stove just for kicks and it opened and closed appropriately. Can I assume the problem is somewhere before the riser. Would seeing how it runs without a thermostat tell me anything?
 

chiefalen

Captain
Joined
May 18, 2008
Messages
3,598
Re: Overheating...or not

You changed the impeller?

You cleaned out your heat exchanger if you have one?

If yes then the risers may be clogged?

You have e engine mounted water pump the vanes still there?

When you go to change the risers if needed, do you have flappers, maybe one broke off and is clogging the exhaust?

All things you can do yourself.

Good luck.
 

mstng

Petty Officer 3rd Class
Joined
Oct 11, 2008
Messages
83
Re: Overheating...or not

Update,

Decided to just see what would happen without the thermostat and I forgot what a pain it was to get the O-ring off to withdraw the thermostat. Gave up on that and instead just scraped the hoses and housing with a hanger. Hose number 5 on this diagram I found another pea sized something rubber. Re-tightened the clamps, ran with the fresh water adapter and the thermostat opened and closed perfectly at idle. Up to 180 max and drops back down to 175. I am beginning to think that since the impeller I changed looked almost brand new that there must have been a catastrophic impeller failure at some point in the past. I suspect that the reason why the thermostat and cooling was fine when I bought it was because I was only running on 3 cylinders. After replacing the broken plug and subsequent WOT I may have blown some crap around causing this over heat condition. Am going to sea trial tomorrow and then get it flushed the correct way. What do you think?

http://www.marinepartseurope.com/en/volvo-penta-explodedview-7744380-26-9449 .aspx
 

a70eliminator

Captain
Joined
Sep 9, 2007
Messages
3,762
Re: Overheating...or not

That little piece of debri you found may have been jambing up the thermostat disc preventing it from completely opening, hopefully problem solved.
 

mstng

Petty Officer 3rd Class
Joined
Oct 11, 2008
Messages
83
Re: Overheating...or not

That little piece of debri you found may have been jambing up the thermostat disc preventing it from completely opening, hopefully problem solved.

Man I sure hope so. Sea trial today. In anticipation of an overheat condition again would you please look at this diagram and suggest exactly where you would clamp a water hose and back flush? I am concerned that since I found some in the thermostat housing the odds are there are more. I removed the hoses to part number (cooler) 15 and found it hollow. Do I back flush from the nipple where the bottom clamp number 6 resides or simply the bottom of the cylinder?

Volvo 3.0 GLP 2003

http://www.volvopentastore.com/Stee...6149504--**********.348493312--view_id.313909



Thermostat housing near clamp 7 is where I found those pieces earlier.

http://www.volvopentastore.com/Circ...6149438--**********.348493312--view_id.313903

Don's download regarding overheat diagnosis mentions and shows the "clean out cover" on the SX drive. This looks identical to mine. It appears I would need a gasket to replace if I check that. Are the chances good that things would accumulate in there?

If problems today I will do all of the above and whatever else you guys suggest. Thanks for the guidance.
 

mstng

Petty Officer 3rd Class
Joined
Oct 11, 2008
Messages
83
Re: Overheating...or not

the name cleanout cover sure does raise a flag


LOL......

Yeah, I looked at it a few days ago, even tried to loosen the bolt. On pretty tight and didn't have a gasket so I left it alone. Now that you slapped me in the face and since it is or was most obviously a clogged condition, regardless how it runs, I'll go ahead and check it.

Any suggestions on the flushing and cleaning of the hollow cooler?
 

Don S

Honorary Moderator Emeritus
Joined
Aug 31, 2004
Messages
62,321
Re: Overheating...or not

Just noticed on your parts drawing link that you have a 3.0GLP-A or B and realized a problem I found in another Volvo engine .
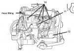
You should have an engine flush hose on your engine (See drawing) that has either a blue cap or a metal one, doesn't matter which, but you need to make sure it's tight and sealed properly, if it sucks air thru that cap, it won't get enough water to cool the engine.

attachment.php
 

Attachments

  • Untitled1.jpg
    Untitled1.jpg
    46.1 KB · Views: 0

mstng

Petty Officer 3rd Class
Joined
Oct 11, 2008
Messages
83
Re: Overheating...or not

Thanks Don,

Yes GLP-B and I have that flush apparatus. Hadn't thought of that until through stalking your past posts I saw you mention that a few times, so I made sure I wrenched that blue cap down real tight, even changed the washer.

Can you tell me anything about the power steering cooler flush? Link number 1 above. If you were going to back flush, where would you put the hose? The manual isn't specific about it. Why is this cylinder hollow? Maybe I need another look in it.
 

Don S

Honorary Moderator Emeritus
Joined
Aug 31, 2004
Messages
62,321
Re: Overheating...or not

Take the water hose off each end and look thru it.
 

mstng

Petty Officer 3rd Class
Joined
Oct 11, 2008
Messages
83
Re: Overheating...or not

I did that and it looked clean. I was expecting more than just a hollow tube thus I wasn't sure I was checking the the correct thing. Thanks for clearing that up.

Off to trial at WOT. Looking forward to seeing the RPM's where they should be since I set the switch in the back of the gauge to 4 cyl.
 

mstng

Petty Officer 3rd Class
Joined
Oct 11, 2008
Messages
83
Re: Overheating...or not

Oh well....Back to square one. Not good news. Thanks for the hand holding fellows.

Before taking it out I ran it on muffs in the yard to operating temp. Thermostat opened and closed appropriately. No overheating.

Trial run in the bay i was able to run 43 mph at 4600 RPM's (changing setting on tach did the trick)

After a few minutes temp creeped up to 200-210 and stayed that way regardless of trim while at WOT.

Backed down to idle and temp lowered somewhat. Strange thing happened though. As I was idling I decided to put it in neutral and rev to 2500-3000 and the temp immediately came down to 180.

So....Idling in the yard and on the bay the engine ran 180. Going WOT for 2 minutes caused an overheat to 210. Back to idle I see improvement in temp, but a much larger improvement when I rev the engine in idle.....

Help me here please. High RMP's and WOT with overheating would one expect manifold or riser problem? But when I have a 210 temp while at "no wake zone" and decide to rev engine while in idle the temp drops to normal would indicate a pump problem (impeller, circulating pump, belt)?.

Or do I simply have a clog somewhere and need to finish flushing th stuff out. (I did find some rubber in the thermostat housing earlier)

Can you diagnose anything from this info. Don? Chief, or anyone. I want to avoid getting in over my head. Some things I can do, but manifold changes I don't know?
 

mstng

Petty Officer 3rd Class
Joined
Oct 11, 2008
Messages
83
Re: Overheating...or not

Have you done any of the tests in that Overheat download I posted, or did you just read it and shrug it off as too much work?

Here it is again, in case you lost it.
http://www.4shared.com/account/file/50572185/e88f1d89/Volvo_Penta_Overheat_Diagnosis.html

No, I have it. And thanks, as I wouldn't have known what a "clean out cover" was.

Didn't shrug it off as too much work but more as being a bit over my head.

So...Is there anything you can think of regarding what was stated above?. Some would surmise that with increasing rpm's at neutral and a lowering of the temp that a pump problem exists...But that's just me and autos. A whole different ball game apparently with marine engines it seems.

Looking for some of your valuable thoughts that come from experience Don..Not read the manual

Thanks
 

captmello

Captain
Joined
Jun 30, 2008
Messages
3,858
Re: Overheating...or not

What's your temp do when you're cruising at 2500-3000 RPM?
 
Top