High/Low Speed Needle Settings 4hp Johnson '83

gsk2005uk

Seaman
Joined
Apr 7, 2008
Messages
62
Hello,

I have a 1983 Johnson 4hp Seahorse (Model No: J4BRLCTA) and I just installed a new carb kit!

Before starting the engine I want to be sure that I have the right speed needle settings. I searched iboats, google and an ebay-bought service manual and I get different settings.

What settings do you recommend to used on the Hight and Low speed needle?

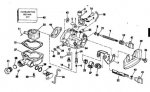
I am attaching a diagram of the carb for reference

I do need to point out that No 19 in the diagram (high speed needle) becomes a bit wobbly/loose after 1/2 turns. Some sources recommend a setting of 1 turn. Wouldn't it become too loose?

Thank you in advance
 

Attachments

  • carburetor.jpg
    carburetor.jpg
    23.9 KB · Views: 0

Vic.S

Rear Admiral
Joined
May 4, 2004
Messages
4,721
Re: High/Low Speed Needle Settings 4hp Johnson '83

See the article on adjsting needles in TD's Top secret file pinned at the top of the index.

It only has a slow speed adustment (#9). #19 is the high speed nozzle. It should be screwed in fully.
 

gsk2005uk

Seaman
Joined
Apr 7, 2008
Messages
62
Re: High/Low Speed Needle Settings 4hp Johnson '83

Many Many Thanks Vic.S for pointing out to me where to find the info as well as for pointing out (in an earlier thread) where to find a carb kit!
 
Top