Got my first Mercury - need some quick help hooking it up.

Gas Giant

Petty Officer 1st Class
Joined
Aug 8, 2010
Messages
239
Just picked up my first Mercury outboard, a 2004 200hp Mercury Saltwater (carbureted). I've always had Johnson/Evinrude engines prior to this one. This engine is replacing the twin Johnson 70's I had on my Starcraft - one overheated and warped the exhaust baffle, and I didn't feel like spending money on a 40 year old outboard.

Not sure of the model # of the engine, but the serial # is 0T848101

Long story short, I just need a little help hooking it up as I'm not familiar with these engines yet. This was a running engine when I got it, but the marina that removed it from the boat it was on prior was a little ham-fisted. Sorry if these questions seem stupid!

1) In the first pic, the bolt in the white circle is loose, and there is a lug nearby that isn't connected to anything. I'm assuming that the negative battery cable connects to this bolt, and that lug does too. Is that correct?

2) Also in the 1st pic, what is that thing in the red circle? What connects to that?

3) In the 2nd photo, I assume the positive battery cables connects to the terminal in the white circle?

4) In the 3rd photo, I don't know what goes where. I assume this is the oil pump, but I am having trouble making sense of what goes where.

5) In the 4th photo, I have a hose that isn't connected to anything, and I'm not exactly sure what it is or where it goes.

Any help would be appreciated! If you need any more photos or information, let me know. Thanks.
 

Attachments

  • photo289910.jpg
    photo289910.jpg
    209.8 KB · Views: 0
  • photo289911.jpg
    photo289911.jpg
    205.5 KB · Views: 0
  • photo289912.jpg
    photo289912.jpg
    1.7 MB · Views: 0
  • photo289913.jpg
    photo289913.jpg
    219.3 KB · Views: 0

Faztbullet

Supreme Mariner
Joined
Mar 2, 2008
Messages
15,938
1) That's correct
2) That the attachment for air line to oil tank
3) That's correct
4)That the oil line from remote tank in boat
5) If it come from under carbs its the speedo pitot.
 

sly_karma

Seaman
Joined
Aug 25, 2005
Messages
68
Get yourself a manual. They can be found online. Best to get proper Merc service manual if possible. The generic ones are, well, too generic. You'll no doubt sort this rigging issue quickly enough, but there'll be plenty of call for a proper manual as time goes by. For instance, your first impeller change. Lubrication locations, products and schedule. And so on.
 

Gas Giant

Petty Officer 1st Class
Joined
Aug 8, 2010
Messages
239
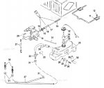
Ok, finally back in town and hoping to get started working on this again.

In reference to my #2 question above (the air line to the oil tank), is #37 in the photo the correct part?

Or is it just some vacuum tubing I can get anywhere?

Thanks!
 

Attachments

  • photo292014.jpg
    photo292014.jpg
    82.6 KB · Views: 0

Mercurylips

Petty Officer 2nd Class
Joined
Sep 23, 2015
Messages
189
Kind of hate to mention it but there is a spark plug that looks rusty (and is) in one of your pictures. You may want to address that before too much effort goes into your project. I am no genius when it comes to old mercs but that doesn't look very good.
 
Top