will this work?

sbklf

Petty Officer 2nd Class
Joined
Oct 26, 2006
Messages
190
Re: will this work?

Thats not typically how those switches are configured. That one does not appear to give you the option of running exclusively on either battery. It likely will only have one load (common) terminal and you will only have the option to run battery # 1 alone or both of them in parallel. With that switch configuration, you must have two batteries to run all the loads.
 

rcl700

Petty Officer 2nd Class
Joined
Jul 8, 2008
Messages
161
Re: will this work?

Thats not typically how those switches are configured. That one does not appear to give you the option of running exclusively on either battery. It likely will only have one load (common) terminal and you will only have the option to run battery # 1 alone or both of them in parallel. With that switch configuration, you must have two batteries to run all the loads.

Dual Circuit Plus? Battery Switch< in the link it shows a pic with two circuits
 

sbklf

Petty Officer 2nd Class
Joined
Oct 26, 2006
Messages
190
Re: will this work?

Sorry, did not see your picture. You have a dead short by tying troll motor positives together. You will have to tie to one positive only and tie the grounds together. I am use to the 4 position switches (picture attached) and thought they were typical. I like the 4 position better but it only has one common so you can not separate the loads to two batteries.
 

Attachments

  • cut.JPG
    cut.JPG
    46.6 KB · Views: 0

Seon

Petty Officer 1st Class
Joined
Apr 23, 2008
Messages
304
Re: will this work?

...You will have to tie to one positive only and tie the grounds together...

Good sketch.

This may also help.


StandardBatterySwitchWiring.jpg
 

Silvertip

Supreme Mariner
Joined
Sep 22, 2003
Messages
28,771
Re: will this work?

No disrespect, but besides the bad POS connection, this is simply a bad design, wrong switch, and way over the top from a practical standpoint. There are many other ways to include a 24 volt system, isolate starting batteries and power the accessories. Simply search this forum. That said, you didn't mention exactly what it is you are trying to accomplish. Since we have no idea what engine & alternator output you have, trying to charge troller batteries from the engine would likely require running wide open for hours so installing a system that creates multiple points of failure is sheer folly. Spend the money on an on board charger and do the charging at the dock. Many folks feel their accessories are too much draw for the starting battery so they move those loads to the troller or house side. Fact is, most of those accessories are very low current draw and can be left on the starting battery. To start the engine IF you do succeed in killing the start battery, carrying a set of jumper cables or a jump start box (or both) solves that problem nicely, efficiently, and inexpensively.
 

Silvertip

Supreme Mariner
Joined
Sep 22, 2003
Messages
28,771
Re: will this work?

SBKLF has a good example of how this can be done using a proper switch. The only thing I would suggest however, is that the switch connect to the same battery the trolling motor ground lead is connected to. With the system shown, an accidental ground to the left battery puts 24 volts on switch position 2 and if the switch gets set to BOTH you now fry some engine electronics.
 

sbklf

Petty Officer 2nd Class
Joined
Oct 26, 2006
Messages
190
Re: will this work?

So are you saying you see these switches go bad often? The switch I bought from academy claims to be hermetically sealed. They are on boats everywhere.

I disagree it is a bad design, I do like the 4 position switch options better than the one he shows but being able to turn a switch to kill power to the boat rather than disconnecting all the positive cables from the batteries is a good idea. Jumper cables? The switch is a jumper cable and a better connection.

I don't think he was relying on the motor charging the troll batteries just asking if it would. He just needs to figure out which switch to use.

Oh by the way, it is a good idea to make an insulated docking station for the second batteries cables for when there is no battery in place as these leads will be live when the switch is in "both" or "combined"

No disrespect, but besides the bad POS connection, this is simply a bad design, wrong switch, and way over the top from a practical standpoint. carrying a set of jumper cables or a jump start box (or both) solves that problem nicely, efficiently, and inexpensively.
 

SingleShot

Petty Officer 2nd Class
Joined
Jun 24, 2003
Messages
113
Re: will this work?

Like the previous post, here is your dead short.

JK
 

Attachments

  • xx.jpg
    xx.jpg
    64.4 KB · Views: 0

Silvertip

Supreme Mariner
Joined
Sep 22, 2003
Messages
28,771
Re: will this work?

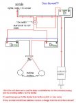
There are several issues with this system. 1) Remove the short to create the 24 volt system. 2) You now have a 24 volts system on one side of the switch and a 12 volt system on the other. Set the switch to COMBINE and guess what happens. 24 volts across the engine side of the system. 3) You cannot perform a combine operation, a series to parallel transfer on one circuit in addition to a parallel connection with another, and a charge function with what are two SPST switches. I've done as much looking at this as I care to so will only add that in the combine position you may also pop all of the accessories on the troller side of the switch as well. I stand by my statement that this is the wrong switch for the intended purpose.
 

rcl700

Petty Officer 2nd Class
Joined
Jul 8, 2008
Messages
161
Re: will this work?

Thank you for all your input. I see I still have alot to work out.
The reason I tied both house batt. to one side of the switch was so that my console would be able to pull from both insed of just one side. I like to night fish so I use lights and radio for an extended time with no motor running.

The reason I choose this switch was just as a set of jumpers for both sides.
ie. if I run down the house I would be unable to turn on my nav. lights to get home (back to the dock)
For the most part it would be two seperate systems.

Is there a way to pull from both house batt. for the console with out getting 24v?

Agin thanks for any input!
If I don't ask I may never know.
 

sbklf

Petty Officer 2nd Class
Joined
Oct 26, 2006
Messages
190
Re: will this work?

Is there a way to pull from both house batt. for the console with out getting 24v?

Not with out blowing up. Your talking about series and parallel connected batteries at the same time. Do you see the short circuit you created in your diagram? The only way I can think of to enable you to do this would be with some darn big diodes. You would be better off with a bunch of short jumpers rigged with ring terminals to enable you to do what you want with the three batteries if needed.
 

Silvertip

Supreme Mariner
Joined
Sep 22, 2003
Messages
28,771
Re: will this work?

24 volts is a series connection. To power 12 volt house circuits from both batteries requires the batteries be in a parallel configuration. You cannot do both serial and parallel at the same time -- period. You can tap off of one of the batteries in a 24 volt series configuration to run house accessories at the same time but you cannot run off both of them. And using diodes, whether they are big, small or in between results in a significant voltage drop. The real danger in what you are attempting to do is creating a ground issue that results in 24 volts being placed across a 12 volt load and also the shorting situation that results in smoke and fire. Again -- my suggestion is to leave your very low current draw items on the starting battery since they are low draw. Unless you have a gazillion watt radio that too can stay on the starting battery. Run your lights from ONE of the troller batteries in the 24 volt system. For a little extra confidence, the starting battery can be replaced with a large dual purpose (starting/deep cycle) battery. Leave your 24 volt system totally separate for the engine system. Add a dual battery switch to the original starting battery and the new dual purpose. Yes - you have four batteries now but you have a safe system, a much more versatile system and probably more power than you would likely need but that seems to be what you are looking for.
 

rcl700

Petty Officer 2nd Class
Joined
Jul 8, 2008
Messages
161
Re: will this work?

Thank you.


I get it now no series & parallel ;)
 

rcl700

Petty Officer 2nd Class
Joined
Jul 8, 2008
Messages
161
Re: will this work?

Are there switches that can move power & ground?

Not just pos+
 

Silvertip

Supreme Mariner
Joined
Sep 22, 2003
Messages
28,771
Re: will this work?

Seems you are hell bent on creating something that will be nothing but a problem for you. You should never switch a ground circuit. It is done in electronics but for a very different reason than you want to. Use multiple switches if this is what you want to do. But be aware that a mistake in switch settings will surprise you. A dead short across a very large battery makes a very good arc welder.
 
Top