What is this rusting at the end of the steering bar?

SpearTub

Petty Officer 2nd Class
Joined
Jan 26, 2021
Messages
109
Im not sure if it is the steering bar itself or something on the engine, it has rubber on each side of it which hasnt prevented water getting in there. It was just serviced by an Evinrude Tech, so I dont think its a major. I have rubbed it with my finger so the rust looks more than it is, but if somebody can tell me what part it is and what I should do to reduce the rusting, I would appreicate it.

fw8pI4z.jpg


And this is the steering bar coming through from the other side, it is at the end of this that the rust appears, on the inside of the engine side.
UJxBBCd.jpg
 

SpearTub

Petty Officer 2nd Class
Joined
Jan 26, 2021
Messages
109
Here is another angle that shows the steering arm coming through into under the engine, where the rust is

r8MwR3q.jpg
 

F_R

Supreme Mariner
Joined
Jul 7, 2006
Messages
28,226
Welcome to the world. Stuff happens. Especially to those steering arms that are notorious for rusting. You should see what a few years of salt water can do to them. Fortunately they are very strong and can get pretty awful before being dangerous.

Nevertheless, clean it up and paint it is about the best you can do, until you are in the mood to replace it--which is quite a job.
 

Crosbyman

Admiral
Joined
Nov 5, 2006
Messages
6,118
if it got that way....it is called neglect by the p.o. a wire brush, scrapper blade, primer and ETEC blue paint and the problem is gone... for a while then repeat :) at the annual inspection with lots of TLC ..

I car wax mine twice a year to !

as for the cracks ...you know how!
 

SpearTub

Petty Officer 2nd Class
Joined
Jan 26, 2021
Messages
109
if it got that way....it is called neglect by the p.o. a wire brush, scrapper blade, primer and ETEC blue paint and the problem is gone... for a while then repeat :) at the annual inspection with lots of TLC ..

I car wax mine twice a year to !

as for the cracks ...you know how!
What surprises me is the Engine tech who did a service 2 months ago with p.o didnt mention it at all.

How do I get access to that area as its at the end of the arm on the inside of the engine, if that makes sense, how do I make it easy to get into that area at the end of the arm connected to the engine, so I can clean it up?
 

F_R

Supreme Mariner
Joined
Jul 7, 2006
Messages
28,226
You said "What surprises me is the Engine tech who did a service 2 months ago with p.o didnt mention it at all."

Heck, if that was a requirement, I would have had to mention it on every job that came into the shop. Then I'd be accused of overselling unless it was rusted severely. They are all rusted to some degree after use in my area (salt water). See post #3
 

SpearTub

Petty Officer 2nd Class
Joined
Jan 26, 2021
Messages
109
They are all rusted to some degree after use in my area (salt water). See post #3
Well are you able to help me please. How do I get into that area to did it up? It looks like its directly under the engine, with 2 rubber sleaves either side (they cant be for preventing salt water because they clearly dont work hehe)

Id like to just make sure the arm isnt rusted through etc and if possible tidy it up, without taking it off. I do not have a service manual for my 04 E50DPLSRC, do you know if there is one online I can download?
 

F_R

Supreme Mariner
Joined
Jul 7, 2006
Messages
28,226
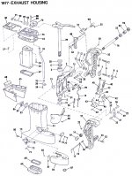
Since I don't know what model you are working on, I just grabbed one at random, but the design is pretty similar across many models. Note that the upper motor mount, #70 is bolted to that steering arm, and the whole shebang is under the powerhead. So you are very correct, it is virtually un-accessible without major disassembly work. That is also why they go ignored until they get real bad. Also, as I said, that is a very strong steel part. From what I can see of yours from where I sit, it is not to worry yet. However, if you are concerned, you can have it torn down and replaced ($$$). Your choice.
 

Attachments

  • 15. Exhaust Housing.jpg
    15. Exhaust Housing.jpg
    456.2 KB · Views: 9

Sam2001

Seaman Apprentice
Joined
Sep 14, 2017
Messages
43
Well are you able to help me please. How do I get into that area to did it up? It looks like its directly under the engine, with 2 rubber sleaves either side (they cant be for preventing salt water because they clearly dont work hehe)

Id like to just make sure the arm isnt rusted through etc and if possible tidy it up, without taking it off. I do not have a service manual for my 04 E50DPLSRC, do you know if there is one online I can download?
Try selfFixer.com for a service manual they should have it very reasonable and fast downloads depending on your internet.
 

SpearTub

Petty Officer 2nd Class
Joined
Jan 26, 2021
Messages
109
Since I don't know what model you are working on, I just grabbed one at random, but the design is pretty similar across many models. Your choice.

Sorry, only model numbers I have are as above E50DPLSRC

Do you have a service manual for that model, 2004 version I could download?

Im not too concerned as everybody seems to say the same thing. But when and how would I know it should be replaced? I would think given an evinrude tech just did a detailed service, that it cant be that bad. Should I spray it with anti corrosion spray or should I just put some grease on it? It felt flaky when i first touched it, not sure if it was rust layer or paint etc, but is there an easy way to see how much it has rusted, or just put my hand up and try feeling around it by touch? Thank you for your help :)
 

SpearTub

Petty Officer 2nd Class
Joined
Jan 26, 2021
Messages
109
Not that in know of , i spent 12-$13 dollars on my service manual and saved my self thousands on repairs. Cant go wrong......
Yep totally. Is just I may not be keeping the outboard long is all.
 

racerone

Supreme Mariner
Joined
Dec 28, 2013
Messages
39,581
Rust happens.----Just use a scraper to get rid of it.----Then a little paint.----Done.
 

SpearTub

Petty Officer 2nd Class
Joined
Jan 26, 2021
Messages
109
Rust happens.----Just use a scraper to get rid of it.----Then a little paint.----Done.
How do you scrape and then paint up under there, its barely visible. a spray can will get paint all over the rubber parts surrounding it, and it wont have access to the side that is inside the rubber, unless that is visible with the lower cowlings off?
 

racerone

Supreme Mariner
Joined
Dec 28, 2013
Messages
39,581
A long thin paint brush.-----The kind an artist would use for body painting.---Little container of touch up paint.----Eyesore / problem is gone.----Or hurry to a boat shop and pay up.----I am assuming this might be your first boat and motor ?
 

SpearTub

Petty Officer 2nd Class
Joined
Jan 26, 2021
Messages
109
A long thin paint brush.-----The kind an artist would use for body painting.---Little container of touch up paint.----Eyesore / problem is gone.----Or hurry to a boat shop and pay up.----I am assuming this might be your first boat and motor ?
Haha, no more like 12th boat (over 50 years), everything from 70ft back down to this little chappy. Im struggling with being my first evinrude (and Im not liking it as the plastic just falls off like it is designed to degrade haha).

That is a great idea rea painters brush. What about scraper though? Im thinking probably should spray with marine anti corrosion spray first? Although that might make sticking paint to surface hard. Would be nice if I could just expose the whole arm some how and scrap and paint the section on the inside as well.

Normally I just put grease on arms that rust, as they usually rust fairly quickly anyway.
 

Sam2001

Seaman Apprentice
Joined
Sep 14, 2017
Messages
43
Haha, no more like 12th boat (over 50 years), everything from 70ft back down to this little chappy. Im struggling with being my first evinrude (and Im not liking it as the plastic just falls off like it is designed to degrade haha).

That is a great idea rea painters brush. What about scraper though? Im thinking probably should spray with marine anti corrosion spray first? Although that might make sticking paint to surface hard. Would be nice if I could just expose the whole arm some how and scrap and paint the section on the inside as well.

Normally I just put grease on arms that rust, as they usually rust fairly quickly anyway.
Look at the various wire wheel and or wire cup attachments you can put on a drill or the dremel type tool. They make all kinds of extensions to get in hard to reach places, use compressed air to blow off the dust after you clean it, and wipe it down with solvents, then paint. From what i can see , i think a wire cup with an extension would work. Wire brushes work very well to clean rust out of porous surfaces.
 

SpearTub

Petty Officer 2nd Class
Joined
Jan 26, 2021
Messages
109
Look at the various wire wheel and or wire cup attachments you can put on a drill or the dremel type tool.
Thank you. Sadly dont have much spare funds for tools etc (have money set aside for servicing)

Would engine grease or anti corosion spray be the best thing to put on it in the mean time until somebody with the right tools can get to it?

I feel better knowing pretty much all of them rust over time.
 

Crosbyman

Admiral
Joined
Nov 5, 2006
Messages
6,118
just spray with gel type lubricants ( sticks more) try wd40 Gel....
ot just paint it over with marine grease till you fix it
 
Top