Shifter/Throttle Mechanism

joey nathan

Petty Officer 2nd Class
Joined
Mar 17, 2009
Messages
185
1975 70 HP Evinrude / 3 Cylinder - 3 Carburettor Engine

So I tightened up/adjusted my throttle cable to address a high/erratic idle situation. And it's better now with idle closer to 800 RPM while in forward, but I think part of the problem is caused by the lever that advances and retards the ignition timing. Idle still intermittently higher than spec after coming off extended cruise time.

Appears to me that the combination of levers stacked on top of one another on the starboard side of the engine are somewhat sticky and in need of attention. There must be a spring in there, no? Can I pull this thing apart without anything flying away and disappearing on me? Anyone here on the board who could share with me the secrets of successfully R&R'ing this thing?
I can't find a drawing on epc.brp.com for this portion of the engine. I'd love to have an expooded view of this before I start.

I plan on disassembling and lubing it if it isn't too risky. Again, engine runs great and I can get the idle to come down by pushing remote throttle control down once I pull control back to slow down. So I don't want to create any problems.

Thanks to all as I wouldn't have this running at all without considerable prior help from the board here,
Jon
 

jtexas

Fleet Admiral
Joined
Oct 13, 2003
Messages
8,646
Re: Shifter/Throttle Mechanism

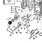
The cylinder/crankcase chart has the exploded view (copied below).

I'm not following you on this:
"I can get the idle to come down by pushing remote throttle control down once I pull control back to slow down." you mean the hi-idle lever?

I've become accustomed to mine ('79 vintage) taking its time about idling on down after coming off a long run...it might hover around 1500 or so for a few seconds before drifting on down to where it should be.

take a look at the pic below; it's at full throttle, but when you bring it back to idle, the throttle lever (#1) pushes the spark advance lever (#2) back. The spring holds #2 forward against #1 until the timer base stop screw halts its forward progress -- you might be thinking that the spring holds it back, but it's the other way round.

With the throttle control at idle, you should be able to lower the RPMs by pushing #2 back with your fingers (watch out for the flywheel). If you can, then there probably isn't anything to be gained from taking that sucker apart.

I was just working on this a couple days ago, it had got to where it wouldn't idle down below 2000 at idle -- I have the throttle cable adjusted as short as it will go with the thumbwheel, I guess after 30 years it stretches a little. I was able to get just enough extra adjustment by taking off the cable anchor block (#3) and pulling the cable through the front of the motor. Can't move it much and still fit it into the anchor block -- maybe a half inch.

Sorry I can't answer your specific question about removing the spring, but I hope this helps.
 

Attachments

  • throttlechart.JPG
    throttlechart.JPG
    40 KB · Views: 0
  • idlestoohigh.JPG
    idlestoohigh.JPG
    82.4 KB · Views: 0

Craig-

Petty Officer 1st Class
Joined
Jul 25, 2010
Messages
316
Re: Shifter/Throttle Mechanism

1975 70 HP Evinrude / 3 Cylinder - 3 Carburettor Engine

So I tightened up/adjusted my throttle cable to address a high/erratic idle situation. And it's better now with idle closer to 800 RPM while in forward, but I think part of the problem is caused by the lever that advances and retards the ignition timing. Idle still intermittently higher than spec after coming off extended cruise time.

Appears to me that the combination of levers stacked on top of one another on the starboard side of the engine are somewhat sticky and in need of attention. There must be a spring in there, no? Can I pull this thing apart without anything flying away and disappearing on me? Anyone here on the board who could share with me the secrets of successfully R&R'ing this thing?
I can't find a drawing on epc.brp.com for this portion of the engine. I'd love to have an expooded view of this before I start.

I plan on disassembling and lubing it if it isn't too risky. Again, engine runs great and I can get the idle to come down by pushing remote throttle control down once I pull control back to slow down. So I don't want to create any problems.

Thanks to all as I wouldn't have this running at all without considerable prior help from the board here,
Jon

It can get crudded up. Pay attention to how it comes apart, not hard to do. Take a picture for reference.
 

joey nathan

Petty Officer 2nd Class
Joined
Mar 17, 2009
Messages
185
Re: Shifter/Throttle Mechanism

Gentleman - Thank You,
I was able to disassemble and lube the (several) plastic bushings contained in this thing and verify that the spring is intact. Not much change however.

I think the key was tightening up the loosely adjusted throttle cable as it is idling much closer to the spec of 800 RPM while in gear. I cna actually do a little trolling now!

I wasn't aware that the shifter/throttle combination was in the cylinder/crankcase slide; so that helped a great deal, too.

Now I just need to replace the spring washer I dropped in the lake! - no biggie it was on the cap screw that holds the throttle cam on the block. Always somethin' hehe

Thanks again...
 

Attachments

  • P8270035.jpg
    P8270035.jpg
    145.8 KB · Views: 0
Top