Do I want a VSR, Isolator, ACR, or Switch... Help Please.

Don S

Honorary Moderator Emeritus
Joined
Aug 31, 2004
Messages
62,321
Re: Do I want a VSR, Isolator, ACR, or Switch... Help Please.

Not to hijack, but ..................

It is a hijack Dave, just start a new thread with your questions, your answers will take discussion, and it should NOT be done on this thread.
 

109jb

Lieutenant Commander
Joined
Jul 15, 2008
Messages
1,590
Re: Do I want a VSR, Isolator, ACR, or Switch... Help Please.

As stated earlier, a diode based isolator will not allow the batteries to get fully charged because of the diode voltage drop. An ACR(VSR is a different name for the same thing) is a much better choice.

A switch is a mechanical item so like anything mechanical, can wear out. That is why it is important to get a high quality switch like the BlueSea and have the ACR to limit the number of times it needs to get switched back and forth from the batteries which is what the ACR solves.

I guess what I actually have now is probably a VSR or ACR. mine is in the link below. It says it is microprocessor controlled and has zero voltage drop, so I assume it isn't a diode based isolator. Got it for about $50 on amazon. All I know is it works exactly as described. On my previous boat I had what was surely a diode based isolator with the big heat sync. Even so, it worked fine for what I wanted. Never noticed that I didn't have "full charge".

http://www.sunforceproducts.com/product_details.php?PRODUCT_ID=153
 

bruceb58

Supreme Mariner
Joined
Mar 5, 2006
Messages
30,767
Re: Do I want a VSR, Isolator, ACR, or Switch... Help Please.

I guess what I actually have now is probably a VSR or ACR.
Yes...that is an ACR. No diode drop with that one.

One thing I did notice on the Sunforce one is that it consumes 30mA in standy. Made me decide to look at the BlueSea and it has 15mA standby current consumption. Something to be aware of when leaving the boat unused if there won't be a charger on it. Switching the battery switch to the off position would of course not solve this problem.
 

Silverbullet555

Chief Petty Officer
Joined
Mar 13, 2011
Messages
621
Re: Do I want a VSR, Isolator, ACR, or Switch... Help Please.

Yes...that is an ACR. No diode drop with that one.

One thing I did notice on the Sunforce one is that it consumes 30mA in standy. Made me decide to look at the BlueSea and it has 15mA standby current consumption. Something to be aware of when leaving the boat unused if there won't be a charger on it. Switching the battery switch to the off position would of course not solve this problem.

Why would it not solve the problem. With the batteries in off they are completely disconnected from the ACR, are they not?
 

bruceb58

Supreme Mariner
Joined
Mar 5, 2006
Messages
30,767
Re: Do I want a VSR, Isolator, ACR, or Switch... Help Please.

The ACR connects directly to the batteries.
 

mschmidt33

Petty Officer 2nd Class
Joined
Sep 7, 2010
Messages
110
Re: Do I want a VSR, Isolator, ACR, or Switch... Help Please.

So here are the pics with some labels. Let me know if you need anything else. Again, thanks a ton guys.
 

Attachments

  • IMG_1502.jpg
    IMG_1502.jpg
    148.1 KB · Views: 2
  • IMG_1509.jpg
    IMG_1509.jpg
    144.7 KB · Views: 2
  • IMG_1506.jpg
    IMG_1506.jpg
    144.3 KB · Views: 1
  • IMG_1511.jpg
    IMG_1511.jpg
    148.8 KB · Views: 2
  • IMG_1513.jpg
    IMG_1513.jpg
    150.9 KB · Views: 2

bruceb58

Supreme Mariner
Joined
Mar 5, 2006
Messages
30,767
Re: Do I want a VSR, Isolator, ACR, or Switch... Help Please.

In addition to adding the switch and the ACR, get rid of the wingnuts. Use a nyloc nut instead.

Besides the cable/wires that go to the starter and the battery charger, what are the others for?
 

Don S

Honorary Moderator Emeritus
Joined
Aug 31, 2004
Messages
62,321
Re: Do I want a VSR, Isolator, ACR, or Switch... Help Please.

Looks like a very straight forward job. I would move the battery charger to the Port side and mount the switch and ACR where the charger is now located. Just to keep most of the wiring as short as possible.
The wiring seems to already be separate from the engine (as expected) by the boat manufacturer. A couple of covered positive buss bars and a couple negative buss bars to keep things organized and some properly sized wiring for your house battery, and you could be in buisness.
More details if needed.
 

mschmidt33

Petty Officer 2nd Class
Joined
Sep 7, 2010
Messages
110
Re: Do I want a VSR, Isolator, ACR, or Switch... Help Please.

Don S,

I think there is still plenty of room to mount the ACR/switch close to the starting battery. I was actually thinking about moving the house battery next to the starting battery. Plenty of room for that too. I'm not worried about any of that right now, just need to know where to attach the new components/wires.

"The wiring seems to already be separate from the engine (as expected) by the boat manufacturer." - A bit confused here, can you explain better to me?

"A couple of covered positive buss bars and a couple negative buss bars to keep things organized" - Also confused? Do I need to really remove everything from these batteries and connect to bus bars, then run a single cable? A previous post said they just left everythind and cheated a bit. Is this an issue?

I know we have already beaten this to death and you have done more than enough, but I think I still need more info such as:

1) Remove 4ga red wire on current starting battery and connect to #2 on switch
2) etc etc

Mike
 

Don S

Honorary Moderator Emeritus
Joined
Aug 31, 2004
Messages
62,321
Re: Do I want a VSR, Isolator, ACR, or Switch... Help Please.

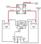
See if this helps. Your current wire can go as shown below, or from the battery to the switch, doesn't really matter which one. Which ever one it fits best.

attachment.php
 

Attachments

  • batt wiring copy.jpg
    batt wiring copy.jpg
    82.7 KB · Views: 2

mschmidt33

Petty Officer 2nd Class
Joined
Sep 7, 2010
Messages
110
Re: Do I want a VSR, Isolator, ACR, or Switch... Help Please.

Yes, this helps, a few more questions and I think I got it

1) Which current 4ga wire do I move to the switch? Red or black, and what do I do with the other?
2) What is the house buss bar? Something new, if so, do I need two? Pos. and neg.? What hooks up to it; Do I remove my trolling motor, cigarette lighter, amp, etc from my current house battery?
3) Do I remove anything else from my current starting battery?
4) Where do you think my current common bus bar is? Which of these 5 connections to it is old and new? 16ga is new, any others?

Mike
 

Don S

Honorary Moderator Emeritus
Joined
Aug 31, 2004
Messages
62,321
Re: Do I want a VSR, Isolator, ACR, or Switch... Help Please.

1) Which current 4ga wire do I move to the switch? Red or black, and what do I do with the other?
ONLY Red battery cables go to the switch. Nothing smaller than 4 ga. can be used if if both batteries are on the same side of the boat as the starter.
Your present red and black 4 ga. cables can be used in any place they will fit on the drawing.
One thing you will have to do, is to determine where your batteries, switch, buss bars, ACR and anything else will be located, as the distance between items can change wire size.

One other side note, my drawings are in Photoshop, and it's just very easy to move things around as needed.


2) What is the house buss bar? Something new, if so, do I need two? Pos. and neg.? What hooks up to it; Do I remove my trolling motor, cigarette lighter, amp, etc from my current house battery?
The house buss bar is new. I'ts a bar similar to the ones shown HERE that you connect all those red wires (except the battery cable) to so your battery only has 2 cable going to each one as shown in the wiring diagram in my previous post. One is all you need if both batteries are on the same side.


3) Do I remove anything else from my current starting battery?
Everything is removed from both batteries except the wires shown in the wiring diagram in reply #31.


4) Where do you think my current common bus bar is? Which of these 5 connections to it is old and new? 16ga is new, any others?

You don't have a buss bar on the common at present, with both batteries on the same side, it's possible to eliminate the common buss bar. The wiring diagram would look like this without the buss bar.
NOTE: The wires in this drawing are color coded. Red is positve, black is negative.

attachment.php
 

Attachments

  • batt wiring no neg bus.jpg
    batt wiring no neg bus.jpg
    77.8 KB · Views: 0

Don S

Honorary Moderator Emeritus
Joined
Aug 31, 2004
Messages
62,321
Re: Do I want a VSR, Isolator, ACR, or Switch... Help Please.

In this picture, which cable goes to the starter #1 or #2. What does the one that doesn't go to the starter go to?

What does #3 do? is it main power to the accessory fuse panel under the dash?
 

Attachments

  • battery1.jpg
    battery1.jpg
    105.8 KB · Views: 1

mschmidt33

Petty Officer 2nd Class
Joined
Sep 7, 2010
Messages
110
Re: Do I want a VSR, Isolator, ACR, or Switch... Help Please.

I'm getting more confused...

- So you think it is best if I move the house battery next to the starting battery and extend all of those current cables across the back of the boat to this new bus bar?

1) So I keep the black 4ga on the starting battery?

- "Your present red and black 4 ga. cables can be used in any place they will fit on the drawing." - What does this mean? Doesn't the black stay put and red just go to the switch?

- If I need to move the house battery, all of the wires will be a few feet long or less to the switch and ACR, I can't image a measureable voltage drop here? 4ga and 8ga still ok per your drawing? I did not think it would have been a problem where they are either.

2)/3) So I need a bus bar with both positive an negative or just negative? You said I only move the pos. wires? Do I keep the negatives on the starting battery? So, now everything will be on the house battery except starting? What if I use the trolling motor all day? I won't have any juice to even power my gauges or nav lights as when I fire up the ACR takes 2 minutes to combine? Sounds like I should keep everything that was currently on the starting battery still on it? I have never had an issue thus far from my headunit, fish finder, lights (LED), or gauges running down the starting battery. Why switch now?

- Also, don't I keep the onboard charger hooked direct to the batteries?
 

mschmidt33

Petty Officer 2nd Class
Joined
Sep 7, 2010
Messages
110
Re: Do I want a VSR, Isolator, ACR, or Switch... Help Please.

In this picture, which cable goes to the starter #1 or #2. What does the one that doesn't go to the starter go to?

What does #3 do? is it main power to the accessory fuse panel under the dash?

See notes on attachments:

#1 goes to starter, #2 is power steering, and #3 is as you suspected, the fuse panel under the dash.

IMG_1538.jpgIMG_1549.jpg
 

bruceb58

Supreme Mariner
Joined
Mar 5, 2006
Messages
30,767
Re: Do I want a VSR, Isolator, ACR, or Switch... Help Please.

#2 is your power trim.
 

Don S

Honorary Moderator Emeritus
Joined
Aug 31, 2004
Messages
62,321
Re: Do I want a VSR, Isolator, ACR, or Switch... Help Please.

Sorry, but I think this job is a bit beyond your skill level. If you want this job done right so it works as advertised, you need to find a marine tech that understands electrical systems and get it installed properly.
 

mschmidt33

Petty Officer 2nd Class
Joined
Sep 7, 2010
Messages
110
Re: Do I want a VSR, Isolator, ACR, or Switch... Help Please.

I knew that was coming... seriously though, some of your comments were contradicting and confusing. I'm not an idiot and know what I'm doing when it comes to electrical, but I am unfamilar with this ACR system. It sounds like there are quite a few ways to hook this up and you were clearly steering me in a direction for a specific way. Since I am still confused and can you please still answer the questions I listed in my last post? Anyone actually...

Mike
 

Don S

Honorary Moderator Emeritus
Joined
Aug 31, 2004
Messages
62,321
Re: Do I want a VSR, Isolator, ACR, or Switch... Help Please.

- If I need to move the house battery, all of the wires will be a few feet long or less to the switch and ACR, I can't image a measureable voltage drop here? 4ga and 8ga still ok per your drawing? I did not think it would have been a problem where they are either.
I don't care if you move it or not, you stated in one of your previous replies I was actually thinking about moving the house battery next to the starting battery. so I just figures you were going to move it.
If you leave the batteries where they are at, the 4 ga battery cables going to the house battery will have to be increased to a 2 ga.

1) So I keep the black 4ga on the starting battery?
Yes, it goes from the battery to the ground stud on the engine. Look at the wiring diagram below. I took the buss bar out of the picture because the word buss bar seems to confuse you. All it is, is a strip of metal used to hook up one wire from the battery to the buss bar, then all your other small ground wires to all sorts of things go to it instead of on the battery, and it makes the battery much neater and the wiring easier to work on and test later on if you have electrical problems.


- "Your present red and black 4 ga. cables can be used in any place they will fit on the drawing." - What does this mean? Doesn't the black stay put and red just go to the switch?
Look at the wiring diagram below. there are 4 places a 4 ga. red wire can be used. If it fits in one place use it. There are also black 4 ga wires hook them up as shown in the wiring diagram. use it where it will fit.

- If I need to move the house battery, all of the wires will be a few feet long or less to the switch and ACR, I can't image a measureable voltage drop here? 4ga and 8ga still ok per your drawing? I did not think it would have been a problem where they are either.

That is why I said 2 positve buss bars earlier, one on each side of the boat, near the batteries. All those red wires for house loads would hook to the buss bars, which would have larger wires hooking the 2 buss bars together and hooking to the switch. Look at the diagram below where it says "to house buss bar" you can't have any house loads or engines attached directly to the battery, they must be to the switch.

So, now everything will be on the house battery except starting? What if I use the trolling motor all day? I won't have any juice to even power my gauges or nav lights as when I fire up the ACR takes 2 minutes to combine?

The ACR is only acting for the charging of the batteries, not their use. once you turn the battery switch to on, every thing works. You don't "Fire up" the ACR., again, look at the wiring diagram below with the blue and green wires (Click on thumbnail). The blue shows the charging current coming from your alternator, to the battery which also goes to the ACR, when the ACR turns on and combines (happens inside the ACR) it will start charging the house battery (Green)



attachment.php
 

Attachments

  • blue-green.jpg
    blue-green.jpg
    61 KB · Views: 1
Top