Adding a fuses?

htuong95

Seaman
Joined
Oct 7, 2005
Messages
56
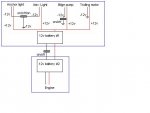
I am going to redo my old boat's wiring. Will my setup bellow work or will I need to add fuses? What kind of fuses do I need? Any help will be greatly appreciated. Thanks.
 

Attachments

  • wiring.JPG
    wiring.JPG
    18.2 KB · Views: 0

Boatin Bob

Lieutenant Commander
Joined
Sep 24, 2001
Messages
1,858
Re: Adding a fuses?

It looks like you have put all of yur switches in the ground side of the circuit, they should go in the +12v instead. Yes you should have a fuse or breaker for each individual circuit, sized depending on the current draw and there should be a bigger fuse right after the battery capable of handling all of the others being on at the same time. I would also get rid of the on/off battery switch and put in a 1/2/both/off switch so you could select one or the other or both if needed. Not sure about you anc/nav light switch setup, normally you want the bow nav lights on with the anc light while running so unless you have DPDT switch or a diode with the existing switch? Also what about a float switch to go with the bige pump?
 

tashasdaddy

Honorary Moderator Emeritus
Joined
Nov 11, 2005
Messages
51,019
Re: Adding a fuses?

here a good little fuse block and ground buss bar. run + from battery to terminal on the right side, then from the middle screw bar, you run the individual wires to the switches, from switch to the equipment, the ground from equipment runs back the the left ground buss bar, the run - off the main post back to the battery.

http://www.iboats.com/Seasense_Fuse...92678341--list_time.1177864067--view_id.56052

here's some more info.

http://forums.iboats.com/showthread.php?t=186986
 

bruceb58

Supreme Mariner
Joined
Mar 5, 2006
Messages
30,797
Re: Adding a fuses?

It looks like the drawing has ground drawn as -12V.

You want to have a circuit breaker near the battery which then drives a heavy guage feed wire to a fuse panel. The circuit breaker needs to be sized properly so that the breaker protects this feed in the event of a short circuit.
You will alse send an equal size ground wire as well. The ground wire wil attatch to a ground bus usually supplied with the fuse panel.

Take a look at the Blue Sea Systems panels. They make good ones.

Another note...you want to switch the +12v side, not the ground side.
 
Top