not up to >50 posts yet

but it already wins the post/hp ratio
Lets go for the record!
The saga continues:
I replaced coils, condensers, points, spark plugs wires. Set gap to 0.022 and checked with strobe light to make sure timing line stays on first mark. So, ignition should not be an issue. Did not help.
This is the problem again:
Tiller handle in START position. Motors starts and runs at 1700-1800 rpm.
If I turn tiller to FAST almost nothing changes, but if I turn tiller to SLOW rpms go to 2200 -2500 and as soon as mark on cam goes against port edge of cam follower (throttles closed) it dies.
I decided to play with carb needles to see if I can find optimal combination of settings. I ended with both needles CLOSED while tiller in START position and motor runs at 2500 rpms !!!!
I can not explain that. Where the gas come from?
I thought that maybe LS needle dull tip is because it was broken off and does not really close the orifice.
I disassembled carb again pic5 shows HS needle closing HS orifice and pic10 shows LS needle closing LS orifice completely, so my theory about broken tip did not work.
I tried another approach.
Using numbers on carb was not able to find it in parts sellers, but found old auction on Ebay that calls it 1969 4 HP carb:
<p dir="ltr">Vintage Johnson/Evinrude 4hp Carburetor. Item is in nice shape and good working condition. Mounting nuts and gasket included. Rebuilt where needed. Shipped Fast, Secure and Insured. P/N 315175 Fits 69-76</p>
www.ebay.com
But, top of my carb looks a little different.
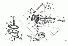
Then found diagram for this carb (pic16) and (lucky me) found actual picture of LS needle (pic15). It looks exactly like mine with dull tip. So, looks like nothing is broken in my carb. It just does not work well on this motor.
I am not sure how it runs with needles closed.
I looked for original carb everywhere, but found nothing. Found a few on Ebay , but all newer than 1970 and I do not have enough knowledge to decide if they fit my motor.
Can anyone advise?
0387355 / 387355 CARBURETOR ASSY. Removed from a 1976 Evinrude 6 HP Outboard - Model number 6605a. 0379687 / 379687 FLOAT CHAMBER. 0387420 / 387420 CAM FOLLOWER KIT.
www.ebay.com
Find many great new & used options and get the best deals for 0379687 379687 0383661 383661 0383662 carburetor evinrude johnson 6hp (2 g) at the best online prices at eBay! Free shipping for many products!
www.ebay.com
Condition is "Used". Looks to be in good usable condition, but, may need a cleaning and/or carb kit before use! Needle valve grooves have a little wear (see second to last picture.). (Inventory location bin 4.).
www.ebay.com
So, for now I stopped and trying to figure what to do next.